欢迎光临~山东博工机械制造有限公司
  咨询电话:0533-4183609

钢仓、钢罐及阀

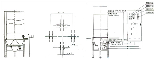
  • 消化仓
消化仓

消化仓

 

型号 尺寸 D a b n φ
XHC-2500 2500 2800 300 16 30
XHC-3000 3000 3660 360 16 36
XHC-3200 3200 3660 360 16 36
XHC-3500 3500 3920 390 16 36


联系我们

CONTACT US

联系人:李总

手 机:0533-4184371

邮 箱:sdzibojixie@163.com

公 司:山东博工机械制造有限公司

地 址:淄博市博山区李家窑

用手机扫描二维码关闭
二维码